Руководство по эксплуатации ( паспорт)


Скачать 149.8 Kb.
Название Руководство по эксплуатации ( паспорт)
Тип Руководство по эксплуатации
rykovodstvo.ru > Руководство эксплуатация > Руководство по эксплуатации
Утверждаю:

Ген. директор ООО «Физиотехника»

Лапаев А.Е.


ПАРОУГЛЕКИСЛАЯ ВАННА

«Оккервиль-комби»

ТУ9444-004-76228444-2009

МЕХАНИЧЕСКАЯ РЕГУЛИРОВКА

РУКОВОДСТВО ПО ЭКСПЛУАТАЦИИ
( ПАСПОРТ)




ООО Физиотехника, Санкт-Петербург
1. Ванна и процедуры. Общее описание
Одной из высоко эффективных лечебных процедур является «углекислая ванна». На организм пациента воздействует углекислый газ в смеси с паром. Голова пациента расположена над уровнем бортика ванны, шейный уплотнитель и покрывало не позволяют газу выйти за пределы ванны. Газ проникает через кожу пациента, воздействует на сердечно-сосудистую систему. Пар является катализатором данного процесса, расширяя поры кожи, улучшая ее проницаемость, а также создавая комфортную температуру при проведении процедуры. Данная методика весьма популярна и в отечественных, и в зарубежных лечебных центрах, для профилактики и лечения сосудистых, легочных и неврологических заболеваний.

Уникальной особенностью пароуглекислой ванны «Оккервиль», отличающей ее от аналогов, является способ подачи пара, с помощью которого осуществляется не только поддержание температуры и влажности газовой смеси, но и подогрев сиденья ванны, а также возможность использования процедуры с добавлением ароматических лекарственных средств.

Поступившая в ванну углекислота распространяется по ее дну, попадая в восходящие теплые потоки воздуха в смеси с паром, подымается к поверхности ванны, после чего, охлаждаясь, вновь опускается вниз. Высокая температура во время процедуры не дает воде образовывать устойчивые соединения с СО2, постоянно разрушая их.

Нашей компанией предлагаются ванны с двумя типами регулировки хода процедуры – ванна с электронным и механическим управлением. В первом случае время процедуры и температура регулируется автоматически, во втором врач осуществляет контроль параметров самостоятельно, на основании показаний термометра и процедурных часов.

Основным при работе с пароуглекислой ванной является выбор температурного режима. В зависимости от возраста и типа заболевания следует ограничить температуру максимум в переделах от 30 до 45 С о, а длительность процедуры от 7 мин до 15 минут с момента начала подачи пара.

Оборудование подачи пара предусматривает несколько режимов мощности, с помощью которых можно регулировать время достижения максимальной температуры, после которой ванна войдет в режим «Остывания». В электронной версии температура максимум устанавливается на дисплее, а в механической – на терморегуляторе, расположенном на боковой поверхности ванны. При этом надо обратить внимание что шкала терморегулятора в механической комплектации регулируется по показаниям термометра.( см. Фотоописание.)

Для работы можно предложить два типа методик: 1- быстрое прогревание, и переход режим «Остывания» (рекомендован молодым людям, нормально восприимчивым к высоким температурам) 2 – медленный прогрев и поддержание температурного режима до 35С (рекомендован пожилым людям, либо людям не восприимчивым к высоким температурам)

Среднее время подачи СО2 составляет 3 - 4 минуты, при давлении около 1,5 - 1,8 бар, что позволяет достичь оптимальной концентрации. При установке давления выше указанных единиц редуктор может «замерзнуть» и подача газа прекратиться. Углекислота подается в ванну после начала подачи пара.

Производитель обращает внимание на соблюдение техники безопасности при использовании углекислого газа. Персоналу следует внимательно относиться к функции удаления СО2 из ванной, не нагибаться через край ванны до удаления газа из ванной, проветривать помещение. Для определения наличия газа можно использовать горящую спичку. Опустите огонь в ванну. Если пламя гаснет – значит, газ полностью не удален и следует включить функцию «удаления газа».



  1. Общие рекомендации по установки пароуглекислой ванны и подготовки помещения




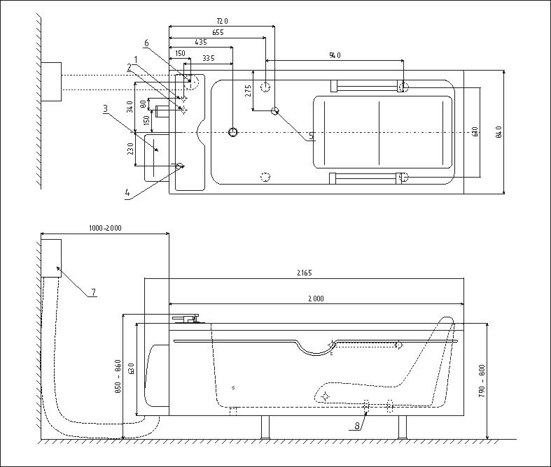
  1. Ванна должна располагаться в хорошо проветриваемом помещении с возможностью свободного подхода со всех сторон. Под ванной, согласно монтажной схеме рис.1, расположите выводы труб холодного и горячего водоснабжения диаметром 1/2 дюйма поз.1,2) для последующего соединения с парогенератором (поз.3) и смесителем лейки. Также под ванной согласно схеме осуществляется подвод кабеля 220 вольт 3,3 кВт, 3х1,5 ВВГ (поз.4). В полу располагается сливная труба D 50 мм (поз.5) для отвода газа и парового конденсата на уровне 4-5 см над полом. Возможно использование трубы D40 через фановый переходник. Трубы для соединения ванны с фановой системой здания производителем не поставляются.

  2. Для дополнительной вентиляции осуществляется подключение вентиляционной трубой к вентиляционному выходу D 100 (поз. 6) в ванне с одной стороны и вентилятору (поз.7) прикрепляемому на расстоянии до 2 метров от ванной на стене с другой (либо к выходу в активную вентиляцию здания, в этом случае установка вентилятора не требуется) для удаления газа за пределы здания. Вентилятор следует крепить к стене только в вертикальном положении. Для соединения вентиляционного выхода в ванне и вентилятора используйте прилагаемый шланг. Для уплотнения соединений используйте вентиляционный скотч.




Рис.1


  1. От системы холодного водоснабжения, через фильтр грубой очистки воды, осуществляется подача воды к парогенератору. В случае, если вода имеет серьезные загрязнения песком или железом (ржавая), следует использовать бытовые системы фильтрации типа «Гейзер» для подачи воды в парогенератор.

  2. При высокой жесткости воды следует периодически осматривать тены парогенератора на наличие накипи. Очистка от накипи осуществляется стандартными бытовыми средствами.

  3. Баллон с углекислотой необходимо установить рядом с ванной на удалении около 1,5 -2 метра (если не используется централизованная подача газа), к баллону следует подсоединить прилагаемый редуктор (рис.2). Подключите к редуктору гибкую подводку, которая соединена с форсункой подачи СО2 в ванне (рис.1 поз.8). Давление выходящего газа настраивается на давление до 2 бар. Для включения /отключения подачи газа используйте прилагаемую арматуру (рис.3), закрепив ее к стене.

  4. Прежде чем вводить ванну в эксплуатацию необходимо ОБЯЗАТЕЛЬНО тщательно вымыть ложе любыми неабразивными моющими средствами, и дать ванне поработать в течении 15-20 минут в режиме 1 парогенератора, после чего снова промыть. Также до момента установки боковин протрите ложе ванны с наружной стороны для максимального удалении пыли, скопившейся во время транспортировки либо складирования.






рис.2 рис.3
3. Предварительный прогрев ванны и проведение процедуры.
ВАННА С ЭЛЕКТРОННЫМ УПРАВЛЕНИЕМ
1. Включение питания на парогенератор и электронную панель производится нажатием пневматической кнопки на корпусе ванны.
2. Для предварительного прогрева ванны необходимо накрыть ванну чехлом, отверстие для головы пациента закрыть полотенцем, и установить мощность на парогенераторе: положение «I» (1650Вт), положение II (2475 Вт) или положение III (3300Вт), при этом температура в ванной, в любых режимах!!!, не превысит 300С, т.к. расположенный электронный термометр при достижении указанной температуры отключит парогенератор. Чем выше будет установлена мощность на парогенераторе, тем быстрее будет осуществлен прогрев и достижение комфортной температуры в ванне. После установки мощности работы парогенератора нажмите кнопку («ПРЕДВАРИТЕЛЬНЫЙ ПРОГРЕВ»). Заводская установка в режиме настроена на прогревание до 30 0С, после чего прозвучит звуковой сигнал, оповещающий о завершении этапа предварительного прогрева и парогенератор отключиться. Во время начала подачи пара будет слышен характерный «хлюпающий» звук. Сиденье в ванне будет теплым и комфортным для начала процедуры.


  1. После окончания прогрева чехол открывают, и пациент садится в ванну. С помощью шейного уплотнителя и боковых креплений чехол максимально герметизирует ванну.

  2. Для проведения процедуры пароуглекислой ванны необходимо:



- установить время подачи углекислоты в ванну.

Для этого необходимо нажать на кнопку , на дисплее высветиться стандартное время (заводская установка – 4 минуты), с помощью кнопок и можно увеличить или уменьшить время подачи газа.
- установить общее время проведения процедуры

Для этого необходимо нажать на кнопку и с помощью кнопок и установите требуемое время процедуры.

- установить температурный режим процедуры

Для этого необходимо нажать на кнопку и задать температуру с помощью кнопок и , данные будут отображаться на дисплее.

Только после установки вышеуказанных параметров, или при согласии с имеющимися заводскими установками, надо нажать кнопку , которая инициирует работу парогенератора и электронного контроля времени подачи газа и общего времени процедуры.

НЕ ЗАБУДЬТЕ ПОСЛЕ НАЖАТИЯ КНОПКИ ОТКРЫТЬ КРАН ПОДАЧИ СО2 НА БАЛЛОНЕ!!!!! ПРОВЕРЬТЕ ПОКАЗАТЕЛЬ ДАВЛЕНИЯ ПОДАЧИ ГАЗА!!!!
В ходе всей процедуры необходимо осуществлять мониторинг состояния пациента. Необходимо исключить возможность вдыхания пациентом СО2. Для этого голова пациента всегда должна находиться выше края ванны.

  1. По истечению времени подачи углекислоты в ванну – прозвучит звуковой сигнал, после которого НЕОБХОДИМО!!! закрыть кран подачи газа на баллоне и нажать на кнопку - это действие отключит звуковой сигнал.

  2. По окончании всей процедуры звуковой сигнал повторится, и будет продолжаться до тех пор, пока врач не откроет кран вентиляции. Одновременно с открытием крана заработает система вентиляции. Для улучшения вентиляции следует ослабить боковые крепления чехла. Вытяжка отключается автоматически через 5 минут после открытия крана.

  3. Снимать защитный чехол и выходить из ванны можно НЕ РАНЕЕ чем через 2 минуты после включения вентиляции.

  4. Ход процедуры на всех этапах можно прервать однократным нажатием кнопки , после чего включится звуковой сигнал оповещающий о необходимости открыть кран вытяжки. Вентилятор вытяжки включается автоматически. Если кран не будет открыт - сигнал не отключится!!

Длительное нажатие клавиши сбрасывает все настройки




Рис. 1. Сенсорная панель настройки и управления
Внесение изменений в программу и функции дополнительных кнопок
РЕЖИМ ПРОГРАММИРОВАНИЯ ПАРАМЕТРОВ ПРОЦЕДУРЫ
Для упрощения набора параметров процедуры ( температура, время отпуска процедуры, время закачки СО2) реализован механизм программирования параметров процедуры для двух режимов отпуска процедуры, при котором заданные параметры заносятся в память ТА нажатием кнопок и .
Установка выше названных параметров осуществляется нажатием кнопок ,, с последующей корректировкой их с помощью кнопок (увеличение) или кнопки (уменьшение) .
Последовательность программирования для первой программы:

1.Задание температуры отпуска процедуры

- в режиме работы ТА “ГОТОВО” на клавиатуре управления ТА нажать кнопку при этом на второй строке ЛИ (позиция 19,20) высветится текущая
температура бокса затем - с помощью кнопки (увеличение) возможно увеличить значение температуры в диапазоне (21°С -+45°С)

или кнопкой (уменьшение) скорректировать значение температуры в диапазоне (21°С -+45°С).
2. .Задание времени закачки СО2

- в режиме работы ТА “ГОТОВО” на клавиатуре управления ТА нажать кнопку

(затем действовать аналогично п.1)


3. Задание времени отпуска процедуры

- в режиме работы ТА “ГОТОВО” на клавиатуре управления ТА нажать кнопку

(затем действовать аналогично п.1)
Примечание:
Одноразовое нажатие кнопки изменяет параметр на единицу. При удержании кнопки нажатой, происходит авто-увеличение (уменьшение) параметра.
4.После того как необходимые параметры подготовлены ( все три или выборочно) их можно записать в память программы 1.

Занесение в память программы1 осуществляется длительным нажатием на кнопку (до появления звукового сигнала (2 длинных)).
Считывание запрограммированных значений для программы 1 осуществляется коротким нажатием на кнопку (после отпускания кнопки слышен звуковой сигнал (2 коротких)).

После считывания запрограммированных значений из памяти рекомендуется их проверить нажимая последовательно кнопки , , .
Программирование параметров для программы2 аналогично программированию параметров для программы1.

4. Ввод пароуглекислой ванны в работу с механическим управлением


  1. Для предварительного прогрева ванны необходимо накрыть ванну чехлом, отверстие для головы пациента закрыть полотенцем, и установить мощность на парогенераторе: положение «I» (1650Вт), положение II (2475 Вт) или положение III (3300Вт), при этом температура в ванной, в любых режимах!!!, не превысит 45-470С, т.к. расположенный электронный термометр при достижении указанной температуры отключит парогенератор. Чем выше будет установлена мощность на парогенераторе, тем быстрее будет осуществлен прогрев и достижение комфортной температуры в ванне. Включение питания на парогенератор производится нажатием пневматической кнопки на корпусе ванны, после чего загорается красный цветовой индикатор. Температура в ванне отображается на термометре, расположенном на панели управления ванны. Предварительный прогрев считается завершенным после достижения температуры 30-35Со. Если данный рубеж преодолен – дайте остыть ванне, открыв защитный чехол.

Для определения температуры пользуйтесь термометром расположенном на приборной панели. Термометр терморегулятора, расположенного на боковой поверхности ванны, отображает среднюю температуру в ванне, которая может отличаться от максимальной на 10 градусов. Его основная функция – ограничение температуры. Показания для отключения настраиваются по показаниям термометра. Для этого установите шкалу терморегулятора на максимум, нагрейте ванну до 40Со (определяется по термометру). Поворачивайте ручку терморегулятора против часовой стрелки до момента отключения (погаснет индикаторная лампочка). В результате вы найдете точку отключения, и ванна не буде прогреваться выше указанной температуры, войдя в режим «остывания» на 4-6 минут. В течение этого времени прекратится подача пара, а температура упадет на 3 градуса до момента повторного включения.

Если вам необходимо продолжить подачу пара поверните регулятор по часовой стрелке. Ориентируйтесь на показания термометра.


  1. После окончания прогрева чехол открывают и пациент располагается в ванне. С помощью шейного уплотнителя и боковых креплений чехол максимально герметизирует ванну.




  1. Для проведения процедуры пароуглекислой ванны необходимо:

- включить парогенератор нажатием пневматической кнопки на панели;

- открыть кран подачи CO2 на баллоне и проверить давление на манометре (должно быть 1,5-2 бар) , время подачи 3-4 минуты.

  1. Общее время процедуры определяется врачом.


В ходе всей процедуры необходимо осуществлять мониторинг состояния пациента. Необходимо исключить возможность вдыхания пациентом СО2. Для этого голова пациента всегда должна находиться выше края ванны.

  1. По окончании процедуры откройте кран вытяжки на панели ванны, что автоматически активирует работу вентилятора и отключит парогенератор. Для улучшения вентиляции ванны необходимо ослабить боковые крепления чехла. Вентилятор рекомендуется оставлять включенным на 10-15 мин, что позволит не только удалить углекислоту, но и влагу из вентиляционной трубы.




  1. По истечении 2-3 минут после начала вентиляции пациент может покинуть ванну.


*Для обмыва ложа ванны можно не выключать вентилятор, тем не менее, на панели расположена кнопка независимого включения \ выключения вентилятора, дублирующая электронику.


Графическое описание пароуглекислой ванны с механической регулировкой




Парогенератор с регулируемой мощностью

Индикатор работы парогенератора (зел.)



Кнопка включения электропитания вентилятора с индикатором (желт.)




Кнопка включения электропитания ванны с индикатором (красн.)

Термометр

Вывод для лейки

Держатель лейки



Кран подачи воды на лейку

Включение вентиляции для удаление СO, с функцией отключения парогенератора




Ручка включения / регулировки мощности парогенератора

Регулируемый термостат /

ограничение max температуры в ванне



Кабель электропитания парогенератора

Щиток электропитания

Провод электропитания датчика термостата


Кабель подключения электропитания вентилятора



Графическое описание пароуглекислой ванны с электронной регулировкой



Сенсорная панель

Вывод для лейки

Держатель лейки

Ручка подачи электропитания на парогенератор / запорный кран

Кран подачи воды на лейку

Кнопка вкл\выкл питания


Щит управления электроникой

Сенсорные панели в работе


Режим: Температура воздуха – 5 С о Режим: Температура воздуха – 5 С о

Время подачи СО2 – 4 минуты Время подачи СО2 – 4 минуты

Время процедуры – 8 минут Ограничение температуры – не более 30 С о


Общие сведения


Вывод подачи пара от парогенератора

Вывод подачи пара в ванну


Дренажный кран парогенератора

(рабочее положение - закрыт, на фото открыт-транспортное)

Регулируемые ножки

Вывод подачи СО в ванну


Фановая труба D50 для подключения к канализации


Вентилятор с воздуховодом



Отвод для подключения воздуховода




Подключение воздуховода от ванны к вентилятору



Шланги для подключения ГВС и ХВС




Электромонтажная схема подключения



5. Информация о ремонте
Информацию о ближайшем пункте сервисного обслуживания в течение гарантийного и послегарантийного срока вы получите от торговой организации, поставившей Вам изделие, либо написав запрос по электронной почте mail@szusko.ru

К выполнению монтажа и ремонта поставленной установки допускаются только обученные работники сервисной организации, владеющие действующим сертификатом, выданным Производителем.
ГАРАНТИЯ 1 ГОД С МОМЕНТА ПРОИЗВОДСТВА
№ изделия _________________________________________________

Дата производства ___________________________________________

Дата упаковки_______________________________________________

Ответственный за приемку____________________________________ м.п.

Производитель: ООО «Физиотехника», Санкт-Петербург, телефон: (812) 321-67-80




Похожие:

Руководство по эксплуатации ( паспорт) icon Руководство по эксплуатации и паспорт ук-д (04) ООО «флмз»
Настоящие Руководство по эксплуатации и паспорт предназначены для изучения, правильной эксплуатации и полного использования технических...
Руководство по эксплуатации ( паспорт) icon Руководство по эксплуатации и паспорт кфст. 425532. 002 Рэ
Настоящие Руководство по эксплуатации и паспорт предназначены для изучения, правильной эксплуатации и полного использования технических...
Руководство по эксплуатации ( паспорт) icon Руководство по эксплуатации и паспорт кфст. 468347. 001РЭ
Настоящие Руководство по эксплуатации и паспорт предназначены для изучения, правильной эксплуатации и полного использования технических...
Руководство по эксплуатации ( паспорт) icon Руководство по эксплуатации и паспорт кфст. 425532. 003 Рэ
Настоящие Руководство по эксплуатации и паспорт предназначены для изучения, правильной эксплуатации и полного использования технических...
Руководство по эксплуатации ( паспорт) icon Руководство по эксплуатации и паспорт кфст. 425532. 005 Рэ
Настоящие Руководство по эксплуатации и паспорт предназначены для изучения, правильной эксплуатации и полного использования технических...
Руководство по эксплуатации ( паспорт) icon «Олимп» Руководство по эксплуатации и паспорт хог 902. 00. 00 Рэ
Настоящие руководство по эксплуатации и паспорт предназначены для использования в качестве руководящего документа при проектировании,...
Руководство по эксплуатации ( паспорт) icon Усш «Гефест» Руководство по эксплуатации и паспорт хог 900. 01. 00 Рэ
Настоящие Руководство по эксплуатации и паспорт предназначены для изучения, правильной эксплуатации и полного использования технических...
Руководство по эксплуатации ( паспорт) icon УклсиП (РП) «Гефест» Руководство по эксплуатации и паспорт хог 901. 03. 00 Рэ
Настоящие Руководство по эксплуатации и паспорт предназначены для изучения, правильной эксплуатации и полного использования технических...
Руководство по эксплуатации ( паспорт) icon Руководство по эксплуатации. Паспорт
Настоящий паспорт совмещен с руководством по эксплуатации и распространяется на извещатели охранные точечные магнитоконтактные ио102-вз...
Руководство по эксплуатации ( паспорт) icon Руководство по эксплуатации на электронный счетчик cb8 Назначение
Комплект документации на электромагнитный расходомер (паспорт, руководство по эксплуатации, руководство по монтажу)
Руководство по эксплуатации ( паспорт) icon Паспорт и руководство по эксплуатации
Настоящий паспорт, совмещенный с руководством по эксплуатации и установке Системы видеонаблюдения на солнечных электростанциях «vgm»...
Руководство по эксплуатации ( паспорт) icon Руководство по эксплуатации паспорт
Перед началом использования генератора следует внимательно прочитать настоящее Руководство по эксплуатации и ознакомиться с органами...
Руководство по эксплуатации ( паспорт) icon Руководство по эксплуатации и паспорт кс 00. 00. 000 Пс
Руководство по эксплуатации предназначено для обеспечения правильной и безопасной эксплуатации котлов в быту и состоит из следующих...
Руководство по эксплуатации ( паспорт) icon Паспорт руководство по эксплуатации и установке светодиодных светильников серии сэс-01-18
Настоящий паспорт, совмещенный с руководством по эксплуатации и установке, предназначен для изучения и технической эксплуатации светодиодного...
Руководство по эксплуатации ( паспорт) icon Руководство по эксплуатации воронеж 2016г
Паспорт и руководство по эксплуатации включает в себя назначение и описание изделия, техническую характеристику, сведения о правилах...
Руководство по эксплуатации ( паспорт) icon Технический паспорт (руководство по эксплуатации)
Руководство по эксплуатации предназначено для предварительного изучения обслуживающим персоналом, использования в процессе установки...

Руководство, инструкция по применению




При копировании материала укажите ссылку © 2024
контакты
rykovodstvo.ru
Поиск