Двухчастотный металлоискатель кощей-вм8043 А. Щедрин, Ю. Колоколов


Скачать 258.49 Kb.
Название Двухчастотный металлоискатель кощей-вм8043 А. Щедрин, Ю. Колоколов
страница 1/4
Тип Документы
rykovodstvo.ru > Руководство эксплуатация > Документы
  1   2   3   4

Двухчастотный металлоискатель КОЩЕЙ-ВМ8043




А. Щедрин, Ю. Колоколов





Введение




Теоретические вопросы и наша точка зрения на принципы работы многочастотных металлоискателей были подробно изложены в статье [1]. На основе этих принципов нами был разработан двухчастотный индукционный металлоискатель, который по своим характеристикам не уступает дорогостоящим моделям металлоискателей ведущих производителей. Теперь высококлассная поисковая техника станет доступной широкому кругу радиолюбителей, благодаря фирме Мастер Кит, которая на основе нашего прибора освоила выпуск недорогого набора КОЩЕЙ-ВМ8043. (КОЩЕЙ=КОлоколов+ЩЕдрин+Й )

В предлагаемой вашему вниманию статье описаны схемные и конструктивные решения, которые воплощены в этом приборе. Для более полного понимания работы металлоискателя КОЩЕЙ-ВM8043 рекомендуется также ознакомиться с инструкцией по эксплуатации [2].




Основные технические характеристики
Максимальная глубина обнаружения объектов(по воздуху):

Монета диаметром 25мм – до 30см;

Каска - до 1м;

Максимальная глубина - до 2м;

Индикация:

Визуальная графическая и текстовая, ЖКИ 132 на 32 точки;

Звуковая многотональная;

Режимы поиска селективный и неселективный;

Количество рабочих частот 2 (7 и 14кГц);

Потребляемый ток

на частоте 7кГц, не более 180мА;

на частоте 14кГц, не более 100мА;

Диаметр датчика 195мм;




Структурная схема




Структурная схема металлоискателя Кощей-BM8043 изображена на Рис.1. Как видно из схемы, рассматриваемый металлоискатель имеет два принципиальных отличия от классических одночастотных приборов:


1. Передающий и приемный тракты имеют широкую полосу пропускания.

2. Для детектирования сигнала используется единственный коммутируемый синхронный детектор (причем он используется для детектирования на всех рабочих частотах).

Приемная катушка


Широкополосный входной

усилитель

Синхронный детектор

Передающая катушка


Широкополосный выходной усилитель



Микроконтроллер

Устройство визуальной индикации

Устройство звуковой индикации



Клавиатура


Измерительный

усилитель




ЦАП


Рис.1. Структурная схема металлоискателя.
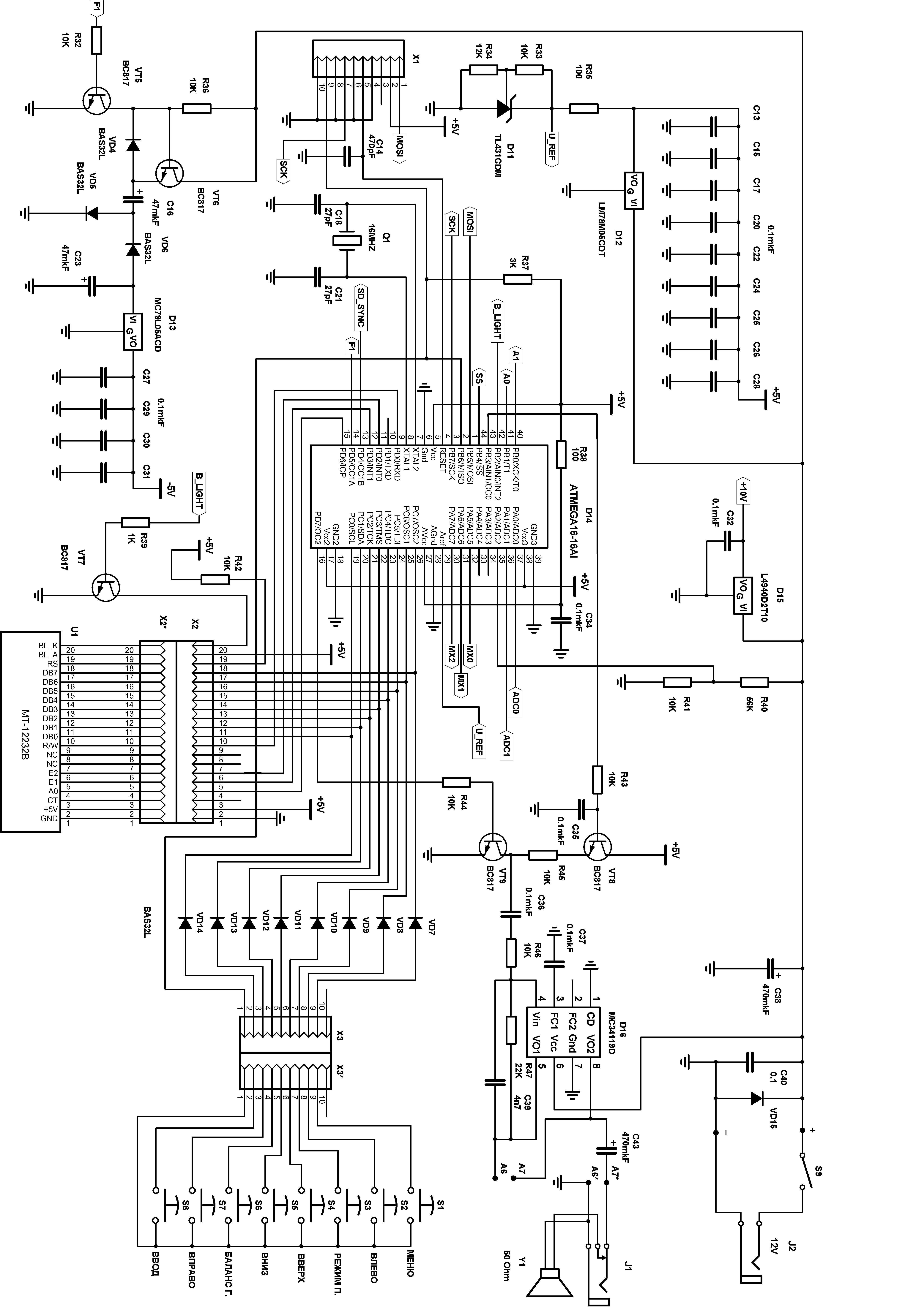
Принципиальная схема



Принципиальная схема металлоискателя Кощей-18М изображена на Рис.2 и Рис.3.



Рис. 2. Схема принципиальная – часть 1.



Рис. 3. Схема принципиальная – часть 2.

Передающий каскад металлоискателя выполнен на микросхемах D1…D3 и транзисторах VT1…VT4 и представляет собой типовую рекуперационную мостовую схему, которая широко применяется, например, в импульсных источниках питания. Микросхема D1 используется для инверсии сигнала. Микросхемы D2,D3 типа IR2104S представляют собой т.н. полумостовые драйверы, которые управляют транзисторами VT1…VT4. В схеме использованы транзисторы типа IRFR1205, которые обладают очень низким сопротивлением (менее 0,1 Ом!) в открытом состоянии. Это необходимо для достижения высокого КПД рекуперации. Электролитические конденсаторы C41,С42 участвуют в процессе рекуперации в качестве аккумулятора энергии.

Входной усилитель выполнен на микросхеме D4. В схеме используется малошумящий термостабильный операционный усилитель типа OP27GS. Для управления коэффициентом усиления входного усилителя служит коммутатор D9. Коэффициент усиления может принимать восемь фиксированных значений.

Синхронный детектор в этом приборе имеет в своей основе широко известную схему и реализован на операционном усилителе D6 и аналоговом коммутаторе D7. Отличительная особенность этого синхронного детектора – это наличие дополнительного коммутатора D5, который переключает “запоминающие” конденсаторы C6, C7, C9, C10. Благодаря такому включению этот синхронный детектор может осуществлять квазиодновременное квадратурное декодирование одно- или двухчастотного сигнала.

Измерительный усилитель D8 и 10-ти разрядный ЦАП D10, который стоит в цепи автоподстройки этого усилителя, позволяют увеличить разрядность аналого-цифрового преобразования сигнала с выхода синхронного детектора. Аналого-цифровое преобразование производится с помощью 10-ти разрядного АЦП, встроенного в микроконтроллер D14. При этом используется сигнал ADC0 непосредственно с выхода синхронного детектора и усиленный сигнал ADC1 с выхода измерительного усилителя.

Каскад на микросхеме D11 формирует высокостабильное напряжение величиной около 4,6В, которое используется в качестве опорного для АЦП и ЦАП, а также для цепей смещения измерительного усилителя.

Стабилизатор D12 формирует питающее напряжение +5В. Стабилизатор D15 формирует напряжение +10В, которым запитывается передающий каскад.

Для формирования напряжения –5В предназначен импульсный преобразователь на элементах VT5, VT6, VD4…VD6 и последующий линейный стабилизатор D13. Импульсный преобразователь работает на той же частоте, что и передающий каскад. Это позволяет существенно уменьшить влияние этого каскада на высокочувствительный приемный тракт.

На элементах VT8, VT9, D16 выполнен каскад формирования сигнала звуковой индикации. На транзисторах VT8, VT9 выполнен электронный регулятор громкости. Работает он следующим образом – на RC цепочку R43, C35 подается ШИМ сигнал. В зависимости от скважности ШИМ сигнала будет меняться уровень постоянного напряжения на выходе этой RC цепочки, а также напряжение на выходе эммитерного повторителя VT8. В результате будет меняться амплитуда аудиосигнала на коллекторе VT9. Далее этот аудиосигнал подается на усилитель мощности D16, выход которого нагружен на громкоговоритель либо на наушники.

Через разъем X2 к устройству подключается графический ЖКИ с размером экрана 122х32 точки. С помощью транзистора VT7 включается подсветка этого ЖКИ. Через разъем X3 к устройству подключается восьмикнопочная клавиатура. Разъем X1 предназначен для внутрисхемного программирования микроконтроллера D14.

Основой всей схемы металлоискателя является микроконтроллер D14 типа ATMEGA16. Он выполняет следующие функции:
1. Генерирует сигнал передатчика F и опорный сигнал синхронного детектора SD_SYNC. Эти сигналы всегда имеют одинаковую частоту, однако фазовый сдвиг между этими сигналами может перестраиваться в пределах 0…360º. Шаг перестройки составляет 0,16º для частоты 7кГц и 0,32º для частоты 14кГц.

2. Формирует управляющие сигналы для аналоговых коммутаторов D5,D9 и для ЦАПа D10.

3. Генерирует сигнал звуковой индикации с регулируемой частотой и амплитудой.

4. Осуществляет вывод информации на графический ЖКИ, а также формирует сигнал управления подсветкой этого ЖКИ.

5. Осуществляет ввод информации с восьмикнопочной клавиатуры.

6. Измеряет с помощью АЦП напряжение питания батареи.

7. Измеряет с помощью АЦП сигнал с выхода синхронного детектора.

8. Осуществляет математическую обработку измеренных данных.

9. Осуществляет общее программное управление всем прибором.
Вся схема металлоискателя, за исключением ЖКИ и клавиатуры, смонтирована на двухсторонней печатной плате размером 84 х 59мм. Столь малый размер удалось получить благодаря применению SMD деталей. Сборочный чертеж этой платы изображен на Рис.4.

Рис. 4. Расположение элементов на печатной плате.

Конструкция датчика
Датчик металлоискателя является одним из важнейших его узлов. В металлоискателе КОЩЕЙ-BM8043 используется нерезонансный датчик c планарным каоксиальным расположением катушек. Его главная отличительная особенность – это эффективная работа в широком диапазоне частот. Более подробно этот вопрос рассмотрен в [1]. Важное свойство нерезонансного датчика – это хорошая термостабильность. Это объясняется двумя причинами. Во-первых, в нерезонасном датчике отсутствуют контурные конденсаторы, которые являются “слабым звеном” в плане термостабильности резонансных датчиков. Во-вторых, фазочастотная характеристика нерезонансного датчика имеет намного меньшую крутизну, чем характеристика резонансного датчика. Поэтому температурное изменение индуктивности и сопротивления катушек датчика имеют меньшие последствия, чем в случае резонансного датчика.

Электрическая схема кольцевого датчика показана на Рис.5. Датчик содержит три катушки: L1 - передающая катушка, L2 - компенсирующая катушка, L3 – приемная катушка.



Вариант А – для 7-ми контактного разъема

Вариант Б – для 10-ти контактного разъема
Рис.5. Принципиальная электрическая схема подключения датчика.
На Рис.6. изображено взаимное расположение этих катушек (вид со стороны “дна” датчика). Передающая катушка показана красным цветом, компенсирующая – зеленым и приемная - синим цветом. Зеленым пунктиром изображена настроечная компенсирующая петля, о которой будет сказано ниже.

Рис.6. Взаимное расположение катушек датчика.
Принцип работы такого датчика основан на том, что передающая и компенсирующая катушки включены в противофазе, а соотношение витков в этих катушках подобрано таким образом, что суммарный поток вектора магнитной индукции от этих катушек через приемную катушку равен нулю. Элементы R101,R102,C101,C102 предназначены для компенсации сигнала, который проникает в приемную катушку благодаря паразитной емкостной связи (межобмоточная емкость, емкость в кабеле между жилами и т.д.). В результате – в правильно сбалансированном датчике на выводах приемной катушки наведенное напряжение близко к нулю. При появлении в поле датчика металлической мишени баланс поля в районе приемной катушки нарушается. И на выходе приемной катушки появляется напряжение, параметры которого характеризуют мишень. Это напряжение и поступает в приемный тракт металлоискателя.


Набор BM8043
Самостоятельное изготовление “с нуля” описанного выше металлоискателя достаточно проблематично даже для опытных радиолюбителей по причине дефицитности многих деталей, сложности SMD монтажа и невозможности качественного изготовления механических узлов. Учитывая перечисленные причины Мастер Кит выпустил набор BM8043, который состоит из электронного блока заводской сборки, всех необходимых разъемов и корпуса датчика. Тем не менее, не смотря на такое укрупнение, этот прибор не является “черным ящиком” – любой радиолюбитель в целях самообразования может отвинтить крышку электронного блока и, вооружившись принципиальной схемой и осциллографом, исследовать работу отдельных узлов. Также этот набор оставляет большое поле для творчества – самостоятельное изготовление датчика и последующая настройка прибора достаточно кропотливая и познавательная работа.



  1   2   3   4

Похожие:

Двухчастотный металлоискатель кощей-вм8043 А. Щедрин, Ю. Колоколов icon Инструкция по сборке датчика для металлоискателей вм8042(Кощей-2И),...
Конструкция корпуса достаточно универсальна и позволяет изготовить датчики практически для всех типов металлоискателей. В данной...
Двухчастотный металлоискатель кощей-вм8043 А. Щедрин, Ю. Колоколов icon Руководство по эксплуатации md-5006dts внимательно прочитайте перед эксплуатацией прибора
Используя металлоискатель md 5006dts возможен поиск монет, украшений, античности, золота и серебра. Металлоискатель является прецизионным...
Двухчастотный металлоискатель кощей-вм8043 А. Щедрин, Ю. Колоколов icon Инструкция по эксплуатации Металлоискатель
Металлоискатель ar924 предназначен для обнаружения черного/цветного металла, поиска кладов, монет и других металлических объектов...
Двухчастотный металлоискатель кощей-вм8043 А. Щедрин, Ю. Колоколов icon Курс лекций по судебной психиатрии
Автор: Колоколов Георгий Рюрикович — доцент кафедры правовой психологии и судебной экспертизы, кандидат медицинских наук
Двухчастотный металлоискатель кощей-вм8043 А. Щедрин, Ю. Колоколов icon Ббк 84(2Рос=Рус)6-44 д-64
Кощей бессмертен. – Новосибирск: Издатель-ский Дом «Историческое наследие Сибири», 2010.– 408 с
Двухчастотный металлоискатель кощей-вм8043 А. Щедрин, Ю. Колоколов icon Кощей-5и инструкция по эксплуатации
Использование прибора в комплекте со сменными датчиками разного размера позволяет решать широкий спектр поисковых задач в кладоискательстве,...

Руководство, инструкция по применению




При копировании материала укажите ссылку © 2024
контакты
rykovodstvo.ru
Поиск